|
一、使用条件
用于电动终端式集中润滑系统,由电控柜接受P V-2E型压力操纵阀发出的信号,控制本阀实现两条供油主管的交替供油和开放。
采用圆柱体的滑阀结构,使阀口开闭严密,长时间保持高压不泄漏。采用强力电磁铁和弹簧缓冲,使得换向可靠。
|
|
二、技术参数

三、使用说明
使用润滑脂的锥入度为310~385(NLG10#~1#)
贮油器内的压力(回油口压力)在3M P a以下时可直接使用。在3~10MPa时需采用外部泄油方式。

四、动作说明
位置S-1
图示为给油结束状态,电磁阀的电磁铁a和b都断电去磁,压力油入口关闭,润滑泵处于停止工作状态。在此状态下两条供油主管都向贮油器开放。
位置S-2
泵启动的同时,电磁铁a通电得磁,泵输出的润滑脂经A 口被送向供油主管L1,供油主管L2仍向贮油器开放。
位置P-1
供油主管末端安装压力操纵阀,当主管L1末端的压力超过压力操纵阀的设定压力时,将其滑阀推向右侧。
位置P-2
滑阀移动右侧,将与其联动的触头拔到左侧、使行程开关L S-1处于接通状态,向电控柜发出信号,使电磁铁a 断电,泵停止工作,恢复到位置S-1。
下次给油,电磁铁b通电,泵输出的润滑剂经B口被送向供油主管L2,压力操纵阀动作使行程开关处于断开状态。
  
五、型号标注说明

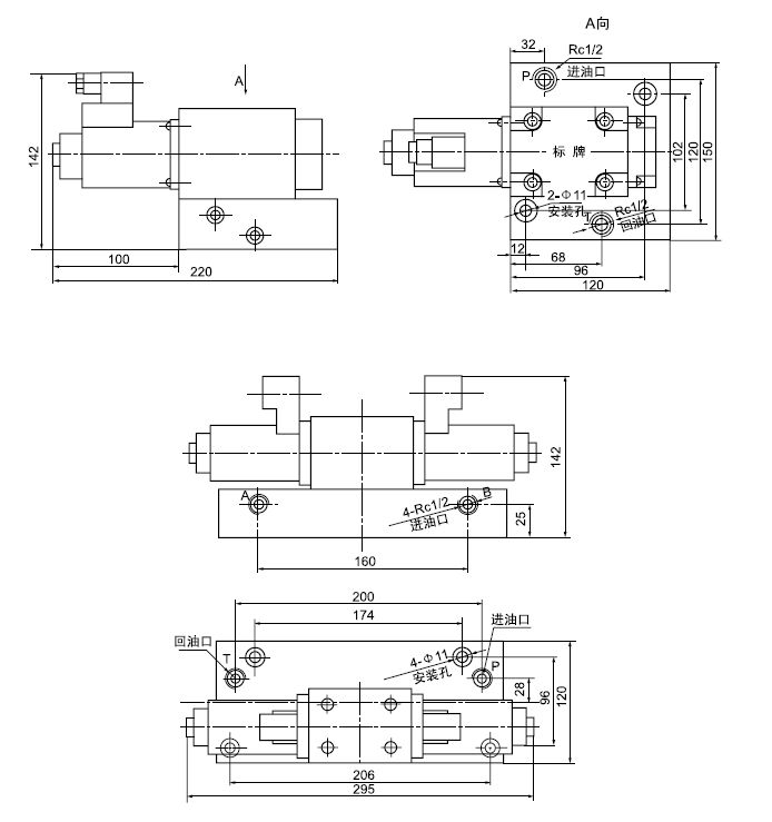
六、外形尺寸

|